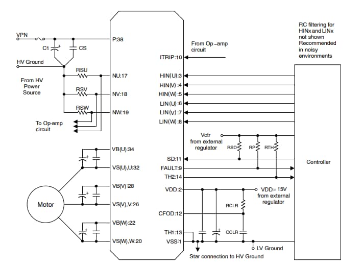
onsemi NFAQ0560R43T Intelligent Power Module (IPM) is a fully integrated inverter power stage consisting of a high-voltage driver and a thermistor. This power module consists of six IGBTs (FS4 RC IGBT technology) suitable for driving Permanent Magnet Synchronous Motors (PMSM), Brushless-DC (BLDC) motors, and AC asynchronous motors. The IGBTs of the power module are configured in a 3-phase bridge with separate emitter connections for the lower legs for maximum flexibility. This power module features protection functions for the power stage that includes cross-conduction protection, external shutdown, and under-voltage lockout functions. The NFAQ0560R43T power module offers integrated bootstrap diodes and resistors, a thermistor for substrate temperature measurement, and a shutdown pin. This power module offers 450V of supply voltage, 600V of collector-emitter voltage, and -40ºC to 125ºC of the storage temperature range. The NFAQ0560R43T power module is ideally used in industrial pumps, industrial fans, industrial automation, and home appliances.











