http://www.ti.com/general/docs/suppproductinfo.tsp?distId=26&gotoUrl=https%3A%2F%2Fwww.ti.com%2Flit%2Fgpn%2Ftps25984″>View Datasheet
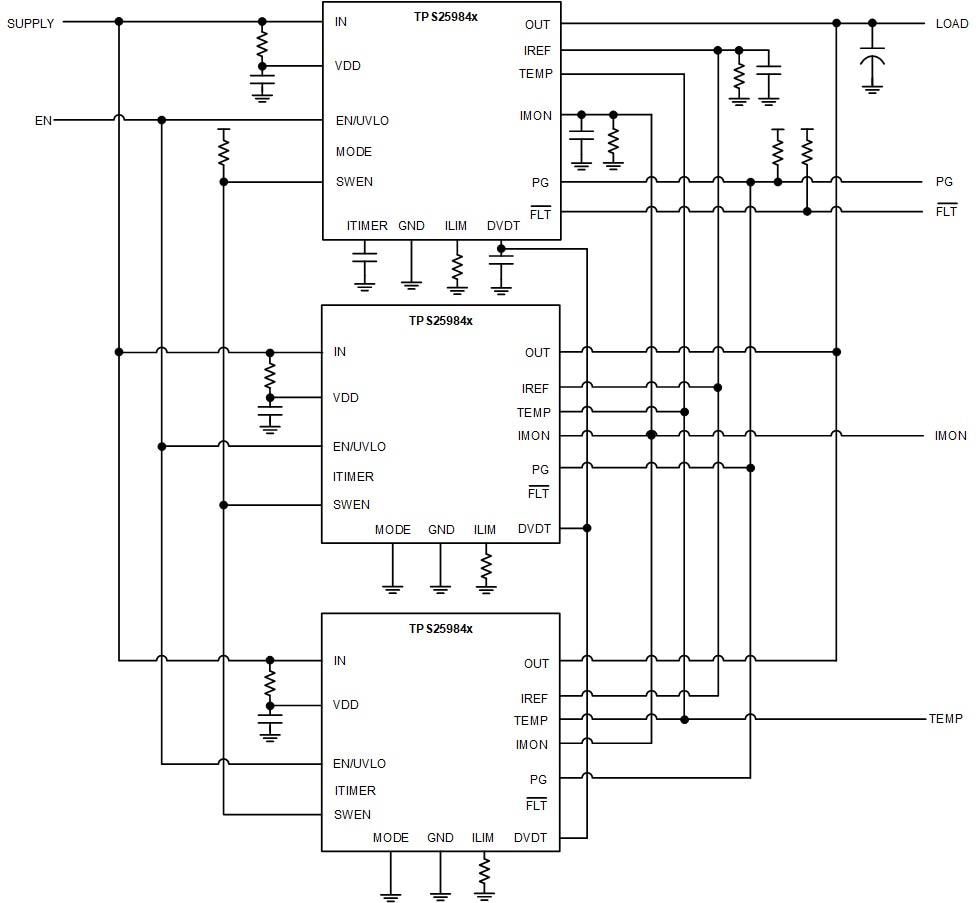
Texas Instruments TPS25984 Stackable eFuses are integrated, high-current circuit protection and power management solution in a small package. These devices offer various protection modes with minimal external components, serving as a reliable safeguard against overloads, short circuits, and excessive inrush current. The TPS25984 eFuses work in a 4.5V to 16V input operating voltage range and support parallel connection of multiple eFuses for higher current support. These stackable eFuses offer adjustable output slew rate control (dVdt) for inrush current protection and active high enable input with adjustable Undervoltage Lockout (UVLO). The TPS25984 eFuses are suitable for input hot-swap and hotplugs, server and high-performance computing, network interface cards, graphics/hardware accelerator cards, and data center switches/routers.











