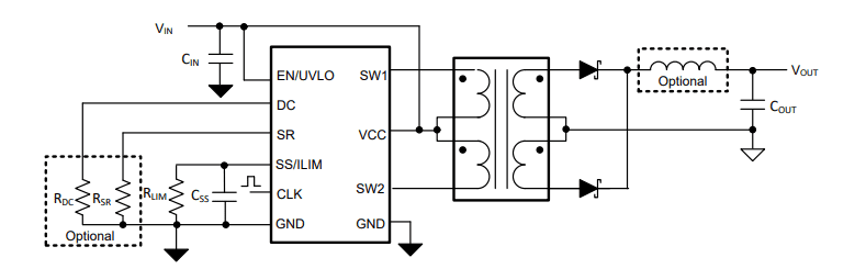
Texas Instruments SN6507/SN6507-Q1 Low-Emissions 36V Push-Pull Transformer Driver is a high voltage, high-frequency push-pull transformer driver delivering isolated power in a small solution size. The SN6507/SN6507-Q1 implements the benefits of push-pull topology, including simplicity, low EMI, and flux cancellation to prevent transformer saturation. The device achieves further space saving through duty cycle control, which reduces component count for wide-input ranges, and by selecting a high switching frequency, reducing the size of the transformer.
The TI SN6507/SN6507-Q1 Push-Pull Transformer Driver integrates a controller and two 0.5A NMOS power switches that switch out of phase. The driver features a programmable input operating range with precision undervoltage lockouts. Protection features on the device include over-current protection (OCP), adjustable under-voltage lockout (UVLO), over-voltage lockout (OVLO), thermal shutdown (TSD), and break-before-make circuitry. The programmable Soft Start (SS) also minimizes inrush currents and promotes power supply sequencing for critical power-up requirements. Spread Spectrum Clocking (SSC) and pin-configurable Slew Rate Control (SRC) further reduce radiated and conducted
emissions for ultra-low EMI requirements.
The SN6507/SN6507-Q1 is housed in a 10-pin HVSSOP DGQ package and is characterized by a temperature range from –55°C to 125°C. The SN6507-Q1 devices are AEC-Q100 qualified for automotive applications.











