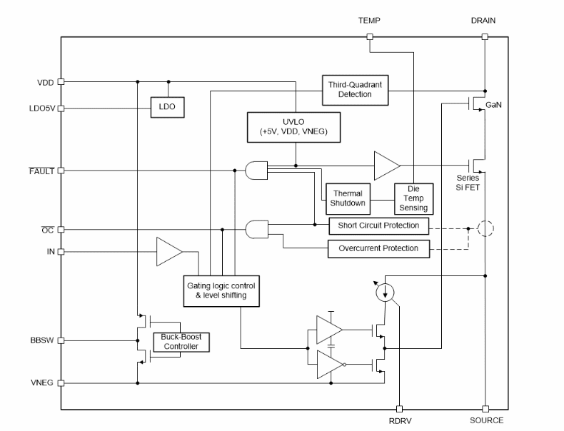
Texas Instruments LMG3522R030/LMG3522R030-Q1 650V 30mΩ GaN FETs include an integrated driver and protection for switch-mode power converters. The LMG3522R030/LMG3522R030-Q1 integrates a silicon driver that allows switching speeds up to 150V/ns. The device implements TI’s integrated precision gate bias, resulting in higher switching SOA than discrete silicon gate drivers. This integration, combined with TI’s low-inductance package, supplies clean switching and minimal ringing in hard-switching power supply topologies. An adjustable gate drive strength permits control of the slew rate from 20V/ns to 150V/ns, which can be used to control EMI and optimize switching performance actively.
The TI LMG3522R030/LMG3522R030-Q1 650V 30mΩ GaN FETs have advanced power management features, including digital temperature reporting and fault detection. Faults reported include overtemperature, overcurrent, and UVLO monitoring. The LMG3522R030-Q1 devices are AEC-Q100 qualified for automotive applications.











