http://www.ti.com/general/docs/suppproductinfo.tsp?distId=26&gotoUrl=https%3A%2F%2Fwww.ti.com%2Flit%2Fgpn%2Fdrv8770″>View Datasheet
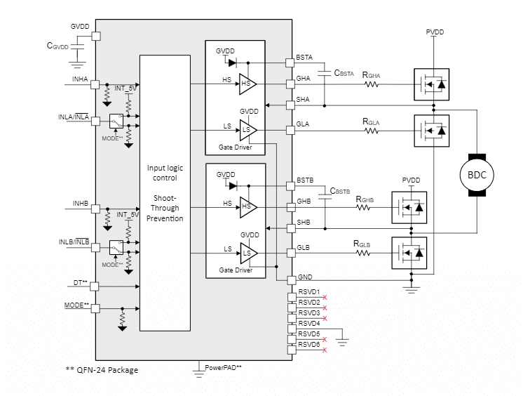
Texas Instruments DRV8770 100V Brushed DC Gate Driver delivers two half-bridge gate drivers, each capable of driving high-side and low-side N-channel power MOSFETs. The integrated bootstrap diode and external capacitor generate the correct gate drive voltages for the high-side MOSFETs while the GVDD drives the gates of the low-side MOSFETs. The gate drive architecture supports gate drive currents up to 750mA source and 1.5A sink. The high voltage tolerance of the gate drive pins improves system robustness.
The TI DRV8770 100V Brushed DC Gate Driver provides SHx phase pins to tolerate significant negative voltage transients. At the same time, the high-side gate driver supply can support higher positive voltage transients (115V absolute maximum) on the BSTx and GHx pins. Efficiency is further improved utilizing the small propagation delay and delay matching specifications to minimize the deadtime requirement. Undervoltage protection is supplied for both low and high sides through GVDD and BST undervoltage lockout.











