Tamura GDM Dual Channel Gate Drivers

Tamura GDM Dual Channel Gate Drivers include the 2CG010BBC1xN, 2CG010DBC11N, and 2EG01XCxN11N gate driver modules. The 2CG010DBC11N and 2EG01XCxN11N variants are designed for IGBT power modules, while the 2CG010BBC1xN components are intended for IGBT and SiC MOSFETs. These all-in-one gate drivers feature a built-in isolated DC/DC converter and gate drive circuit. Applications include industrial inverters and power conditioners.

Features

  • Ideal for the drive of
    • IGBT power modules (2CG010DBC11N and 2EG01XCxN11N)
    • IGBT and SiC MOSFETs (2CG010BBC1xN)
  • All-in-One with built-in isolated DC/DC converter and gate drive circuit
  • Low parasitic capacitance (about 12pF) and highly resistant to common-mode noise
  • 100ns or 130ns typical response time
  • Isolation for the primary-secondary signal uses a fast response isolator
  • 5000VAC I/O dielectric withstanding voltage
  • 14mm clearance and 16mm creepage
  • 13VDC to 28VDC converter input range
  • Signal input voltages
    • 3.3V and 5V for 2CG010BBC1xN and 2CG010DBC11N
    • 3.3V to 15V or 15V for 2EG01XCxN11N
  • Single or dual output
  • Reinforced isolation
  • 100kHz to 200kHz maximum switching frequency range
  • 5mA maximum input-side signal current
  • Operating temperature ranges
    • -40°C to +85°C from 13.5V to 18V
    • -40°C to +75°C from 18V to 26.4V
  • Flow solderable at +255°C ±3°C for less than 3s
  • Protections/functions
    • 2CG010BBC1xN
      • Overload and overheat protection for the DC/DC converter
      • Desaturation protection, half-bridge mode, soft turn-off function, fault signal output function, Miller function, and under-voltage lockout (UVLO) for the gate drive circuit
    • 2CG010DBC11N
      • Overload and overheat protection for the DC/DC converter
      • Desaturation protection, half-bridge mode, soft turn-off function, fault signal output function, active clamp function, and under-voltage lockout (UVLO) for the gate drive circuit
    • 2EG01XCxN11N
      • Overload and overheat protection for the DC/DC converter
      • Desaturation protection, soft turn-off function, fault signal output function, under-voltage lockout (UVLO), and switchable direct mode/half-bridge mode for the gate drive circuit

Applications

  • Inverters
  • Power conditioners
  • Motor control units
  • Battery chargers
  • Robots
  • Industrial power supplies
  • Welding machines
  • PV inverters
  • Wind power generation

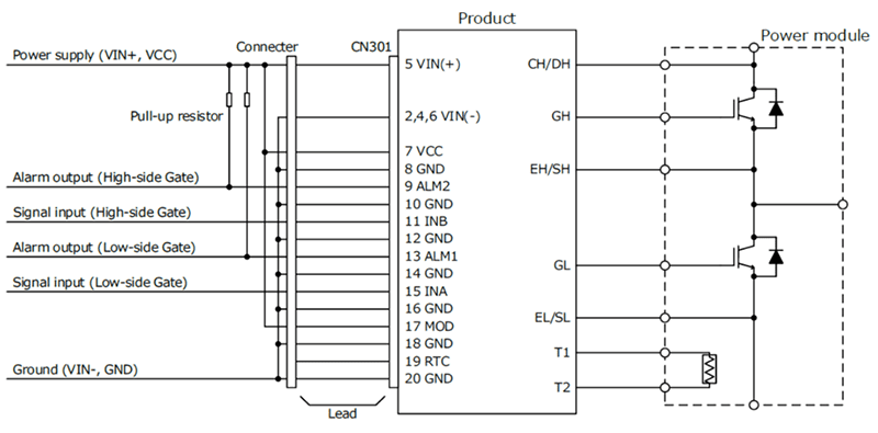
2CG-B Application Diagram

Application Circuit Diagram - Tamura GDM Dual Channel Gate Drivers

2EG-C Application Diagram

Application Circuit Diagram - Tamura GDM Dual Channel Gate Drivers

Videos

Tamura GDM Dual Channel Gate Drivers