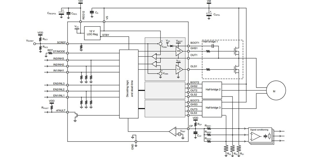
STMicroelectronics STDRIVE101 Triple Half-Bridge Gate Driver is a low-voltage gate driver suitable for driving three-phase brushless motors. The STDRIVE101 is a single-chip with three half-bridge gate drivers for N-channel power MOSFETs. Each driver has a current capability of 600mA (sink/source). It integrates a low drop linear regulator generating the supply voltage for both low-side and high-side gate drivers through a bootstrap circuitry. The device provides an under-voltage lockout (UVLO) on both the low-side and high-side sections, preventing the power switches from operating in low efficiency or dangerous conditions.
The control logic integrated into the STDRIVE101 allows two input strategies (high-side and low-side or enable and PWM driving signals). The driving method is selected according to the DT/MODE pin. In both cases, prevention from cross conduction is ensured by interlocking or internally generated deadtime. The STDRIVE101 also features VDS monitoring protection for each external MOSFET, thermal shutdown, and can be put in standby mode to reduce the power consumption.
The STMicroelectronics STDRIVE101 Triple Half-Bridge Gate Driver is available in a VFQFPN24 package, with a -40°C to +125°C operating temperature range.











