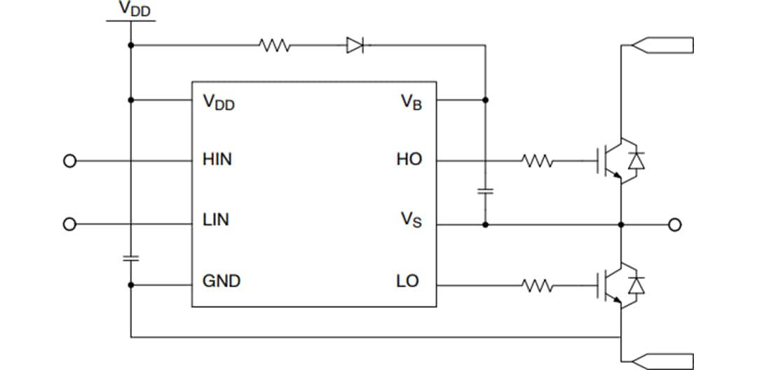
onsemi NCD57201 and NCV57201 Half-Bridge Gate Drivers feature one non-isolated low side gate driver and one galvanic isolated high or low side gate driver. The NCD57201 and NCV57201 can directly drive two IGBTs in a half-bridge configuration. The isolated high side driver can be powered with an isolated power supply or with a Bootstrap technique from the low side power supply. The galvanic isolation for the high side gate driver guarantees reliable switching in high-power applications for IGBTs that operate up to 800V, at high dv/dt. The optimized output stages of the NCD57201 and NCV57201 provide a means of reducing IGBT losses. The devices also feature two independent inputs with deadtime and interlock, accurate asymmetric UVLOs, and short and matched propagation delays. The NCD57201 and NCV57201 operate with their VDD/VBS up to 20V.
The onsemi NCD57201 and NCV57201 Half-Bridge Gate Drivers are offered in a compact SOIC-8 package. The NCV57201 is AEC-Q100 Qualified and PPAP capable for automotive applications.















