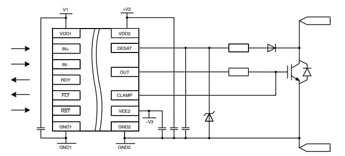
onsemi NCD57001FDWR2G Isolated High Current IGBT Gate Driver is a single-channel IGBT driver with internal galvanic isolation designed for high system efficiency and reliability. This gate driver features complementary inputs, open-drain FAULT and Ready outputs, active Miller clamp, accurate UVLOs, DESAT protection, and soft turn-off at DESAT. The NCD57001FDWR2G gate driver accommodates both 5V and 3.3V signals on the input side and wide bias voltage range on the driver side including negative voltage capability. This gate driver provides >5kVrms (UL1577 rating) galvanic isolation and >1200Viorm (working voltage) capabilities. Typical applications include solar inverters, motor control, Uninterruptible Power Supplies (UPS), industrial power supplies, and welding.











