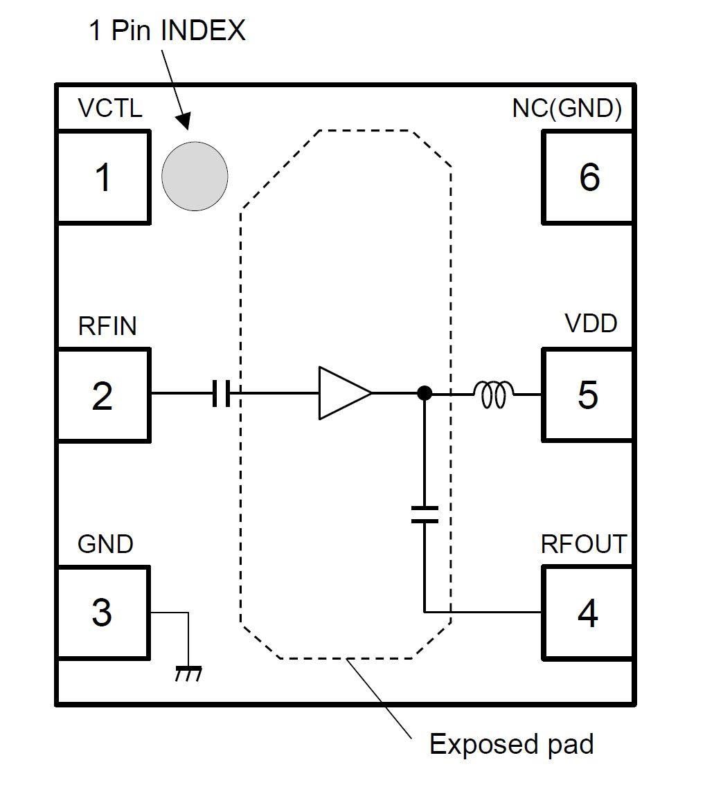
Nisshinbo GNSS Amplifiers and Module offer solutions for GNSS applications. The NT1191 is a GNSS wideband low noise amplifier (LNA) designed for multi-GNSS receiver applications. The NT1192 is a low noise amplifier (LNA) GaAs MMIC designed for GNSS 1.2GHz band applications. The NJG1186PJL is a front-end module (FEM) designed for GNSS L5/L2C band applications.
















