Nexperia BZX8450 Low-Current Voltage Regulator Diodes

Nexperia BZX8450 Low-Current Voltage Regulator Diodes feature ±5% series tolerance and are available in SOT23 (TO-236AB) SMD plastic package. These diodes feature ≤250mW total power dissipation and operate at 1.8V to 75V voltage range, 0.9V forward voltage (VF), and 200mA forward current (IF). The BZX8450 diodes are used in low-current general regulation functions and at 50µA test current. These diodes are ideal for low-bias and portable battery-powered applications.

Features

  • ±5% series tolerance
  • Specified at a low test current (50μA), ideal for low bias and portable battery-powered applications
  • SOT23 (TO-236AB) SMD plastic package

Specifications

  • ≤250mW total power dissipation
  • 1.8V to 75V operating voltage range
  • 0.9V forward voltage (VF)
  • 200mA forward current (IF)
  • 40W non-repetitive peak reverse power dissipation (PZSM)
  • 150°C junction temperature (Tj)
  • -55°C to 150°C ambient temperature range (Tamb)
  • -65°C to 150°C storage temperature range (Tstg)

Characteristics Curve

Performance Graph - Nexperia BZX8450 Low-Current Voltage Regulator Diodes

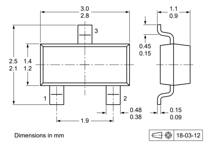
Package Outline

Mechanical Drawing - Nexperia BZX8450 Low-Current Voltage Regulator Diodes

Nexperia BZX8450 Low-Current Voltage Regulator Diodes