Nexperia BC857xQC-Q PNP Transistors are 45V 100mA transistors ideal for general-purpose switching and amplification. The BC857xQC-Q Transistors feature high power dissipation, excellent thermal performance, and robust solder joints. The low operating temperature of these devices extends the total system reliability.
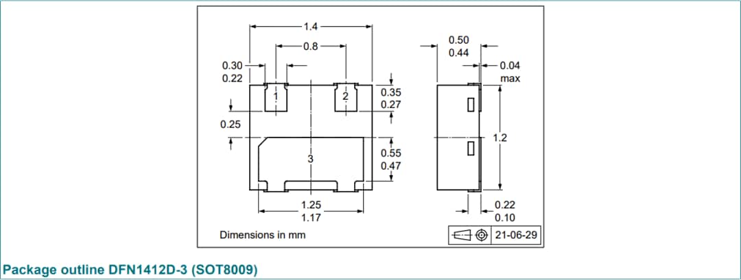
The Nexperia BC857xQC-Q PNP Transistors are available in a 1.4mm x 1.2mm x 0.48mm DFN1412D-3 (SOT8009) package. The Side-Wettable Flanks (SWF) of the DFN package improve shear forces and board bending capabilities and enable visible solder joints to be inspected post soldering. These devices are AEC-Q101 qualified for use in automotive applications.











