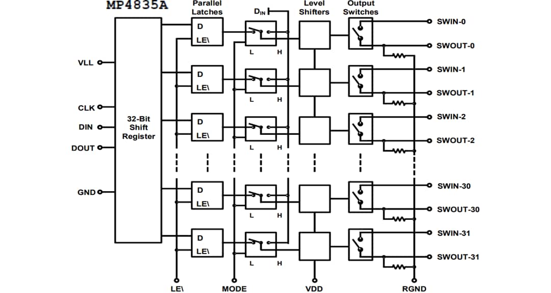
Monolithic Power Systems (MPS) MP4835A 32-Channel High-Voltage Analog Switch is a single-pole, single-throw (SPST) analog switch with integrated output bleed resistors. The MP4835A is optimized for medical ultrasound imaging applications and can also be used for non-destructive testing (NDT) applications. The MP4835A can multiplex high transmission voltages to the selected piezoelectric transducer (PZT) and can multiplex the small analog echo signal to the selected receiver.
The output switches of the MP4835A are controlled by a 32-bit serial shift register, followed by a 32-bit data latch. A data out (DOUT) pin is provided to allow for multiple devices to be cascaded together. This design helps minimize the number of input/output (I/O) control lines. A logic high signal in the data latch turns the corresponding analog switch on, whereas a logic low signal turns it off.
The MP4835A does not require high-voltage negative or positive supplies. Only two low-voltage supplies are required (3.3V and 5.0V). The device can block or pass analog voltages up to ±100V with peak currents of up to ±1.8A.
The Monolithic Power Systems (MPS) MP4835A 32-Channel High-Voltage Analog Switch is available in a QFN-72 package.













