Monolithic Power Systems (MPS) MP3398H Series Step-Up WLED Controllers

Monolithic Power Systems (MPS) MP3398H Series Step-Up WLED Controllers are designed to drive WLED arrays for large LCD panel backlighting applications. These step-up controllers feature four LED current channels and can be expanded in number with two or more ICs in parallel, sharing a single power source. The MP3398H WLED controllers employ peak current control mode with a fixed switching frequency (fSW) that is configurable via an external setting resistor. The MP3398H controllers drive an external MOSFET to boost the output voltage (VOUT) from a 4.5V to 33V input voltage (VIN) supply. These devices also regulate the current in each LED string to the value set by external current-setting resistors.

The MP3398H step-up WLED controllers apply four internal current sources for current balancing and achieve 1.5% current matching regulation accuracy between the strings. The low regulation voltage on the LED current sources reduces power loss. These controllers offer Over-Current Protection (OCP), Overtemperature Protection (OTP), Under-Voltage Protection (UVP), LED short and open protection, inductor and diode short protection, and Over-Voltage Protection (OVP). Typical applications include desktop LCD flat-panel displays, 2D and 3D LCD TVs, and all-in-one PCs.

Features

  • 4-string, maximum 400mA/string WLED drivers
  • 4.5V to 33V input voltage (VIN) range
  • 80V absolute maximum rating for each string
  • 1.5% current matching accuracy between each string
  • Direct Pulse-Width Modulation (PWM) dimming mode
  • Analog dimming mode via PWM input or DC input
  • Available in an SOIC-16 package
  • Cascading capability with a single power source
  • LED open and short protection
  • Configurable, recoverable Over-Voltage Protection (OVP)
  • 540mV cycle-by-cycle current limit
  • Over-Temperature Protection (OTP) with Hiccup mode
  • Short inductor and diode protection

Applications

  • Desktop LCD flat-panel displays
  • All-in-one PCs
  • 2D and 3D LCD TVs

Typical Application Circuit

Application Circuit Diagram - Monolithic Power Systems (MPS) MP3398H Series Step-Up WLED Controllers

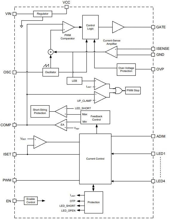
Functional Block Diagram

Block Diagram - Monolithic Power Systems (MPS) MP3398H Series Step-Up WLED Controllers

Monolithic Power Systems (MPS) MP3398H Series Step-Up WLED Controllers