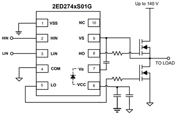
Infineon Technologies MOTIX™ 160V Gate Drivers are ideal for half-bridge BLDC motor drives. The Infineon drivers have built-in bootstrap diodes for the high-side capacitor. Protection includes undervoltage lockout on VCC and VB pins. The output drivers minimize cross-conduction with a high-pulse current buffer stage.












