Infineon Technologies IAUZ4xN06S5 60V Automotive OptiMOS™-5 MOSFETs feature a low drain-source on-state resistance, a low gate charge, and a low gate capacitance, minimizing conduction and switching losses. These N-channel, enhancement-mode MOSFETs also feature an extremely low 22.7nC to 23.0nC reverse recovery charge.
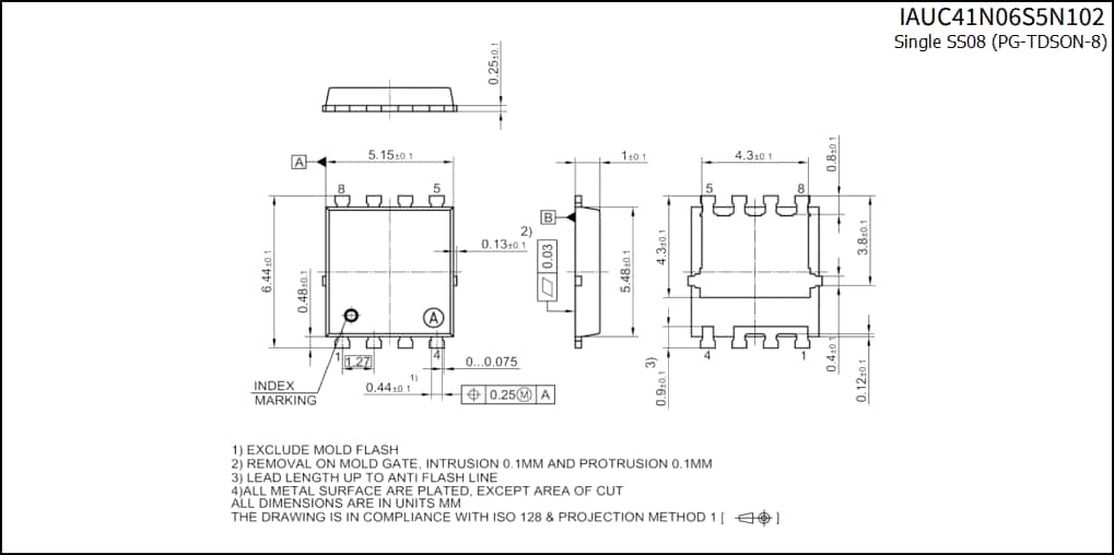
The Infineon Technologies IAUZ4xN06S5 OptiMOS-5 MOSFETs are AEC-Q101 qualified for automotive applications. The 5.0mΩ IAUZ40N06S5 is available in a 3mm x 3mm S3O8 (PG-TSDSON-8) package. The 10.2mΩ IAUC41N06S5 is offered in a 5mm x 6mm Single SS08 (PG-TDSON-8) package.











