Diodes Incorporated ZXCT21x 26V High-Precision Current Monitors

Diodes Incorporated ZXCT21x 26V High-Precision Current Monitors feature different gain options to measure low-voltage drops (10mV) across a small shunt resistor with minimal error. The devices allow a high accuracy of large current measurement and reduce power loss caused by the measurement at -0.3V to 26V common-mode voltages.

The Diodes ZXCT21x current monitors have six fixed gains of 50V/V, 75V/V, 100V/V, 200V/V, 500V/V, and 1000V/V. The current monitors employ a zero-drift architecture and are manufactured by post-trim technology. The devices achieve low offset voltage, gain drift, and gain error for precise measurement among the full temperature range.

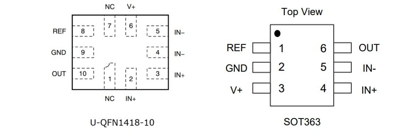
The ZXCT21x operates from a single 2.7V to 26V power supply with a maximum of 100μA supply current. The ZXCT21x has an operating temperature of -40°C to +125°C and is presented in a SOT363 or U-QFN1418-10 package.

Features

  • 2.7V to 26V supply voltage range
  • -40°C to +125°C temperature range
  • Wide  -0.3V to 26V common-mode range
  • Support shunt drops of 10mV full-scale
  • Gain error (maximum overtemperature)
    • ±0.8% A and B version
    • ±0.5% C version
  • Low ±30μV maximum offset voltage
  • 100μA maximum quiescent current
  • Low 10ppm/°C maximum gain error drift
  • Rail-to-rail output capacity
  • Choice of gains:
    • 200V/V for ZXCT210
    • 500V/V for ZXCT211
    • 1000V/V for ZXCT212
    • 50V/V for ZXCT213
    • 100V/V for ZXCT214
    • 75V/V for ZXCT215
  • 6-pin SOT363 and 10-pin U-QFN1418-10 package options
  • Totally lead-free and fully RoHS compliant
  • Halogen and antimony-free “Green” device

Applications

  • Notebook computers
  • Server farms
  • Telecoms
  • Current sensing (high-side/low-side)
  • Battery charging and discharging
  • High-performance video cards
  • Industrial power supplies
  • Instrumentation
  • Control systems
  • Metering

Typical Applications Circuit

Application Circuit Diagram - Diodes Incorporated ZXCT21x 26V High-Precision Current Monitors

Pin Assignments

Mechanical Drawing - Diodes Incorporated ZXCT21x 26V High-Precision Current Monitors

Diodes Incorporated ZXCT21x 26V High-Precision Current Monitors