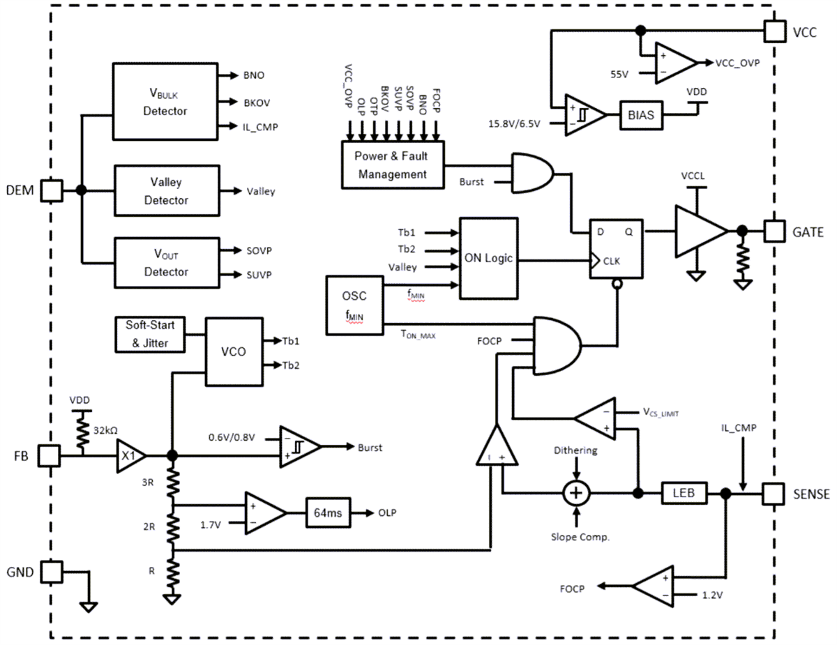
Diodes Incorporated AP3304 Multi-Mode PWM Controller is optimized for high-performance, low standby power, and cost-effective offline flyback converters. This PWM controller features peak-current control, multi-mode control with CCM+QR, a low start-up current of 1μA, and a soft start during the start-up process. The AP3304 PWM controller at light load operates in burst mode with a 23kHz switching frequency to minimize standby power consumption and avoid audible noise. When the load increases, the AP3304 PWM controller will enter QR mode with frequency fold-back to improve system efficiency and EMI performance. The AP3304 multi-mode PWM controller offers a built-in frequency dithering function to reduce EMI emission. Typical applications include switching AC-DC adapter charger, ATX/BTX auxiliary power, Set-Top Box (STB) power supply, and open frame switching power supply.











