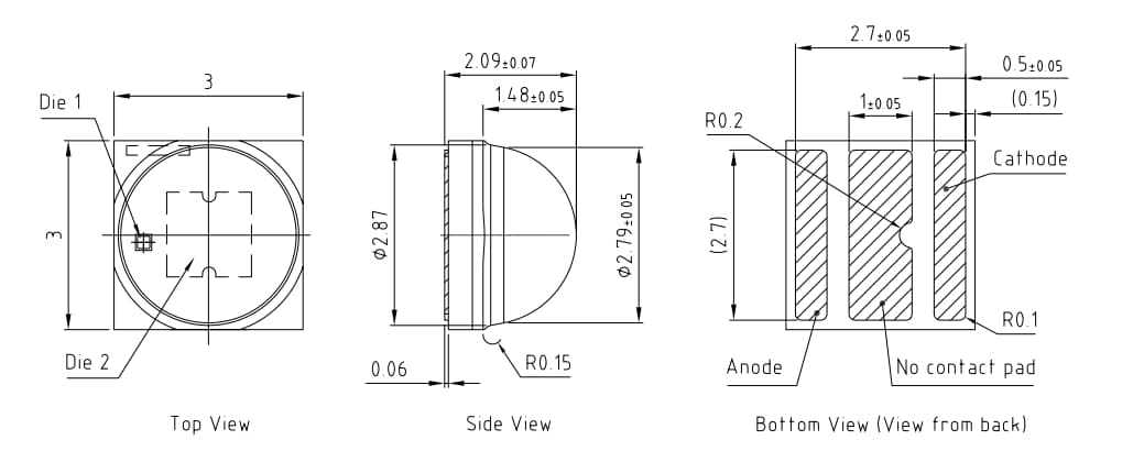
ams OSLON® Square GW CSSRM3.PM High Power LEDs are long lifetime, compact, robust, and highly reliable LEDs with low thermal resistance. These LEDs feature a color temperature of 2200K to 6500K, a luminous flux of 375lm, and luminous efficacy of 182lm/E at 4000K, 85°C. The GM CSSRM3.EM high-power LEDs emit 120° typical radiation with a minimum 70 and typical 72 Color Rendering Index (CRI). These LEDs are available in 3mm x 3mm x 2.09mm dimensions and an SMD/SMT ceramic mounting style with a silicone lens. Typical applications are horticulture lighting, agriculture lighting, industrial lighting, and outdoor lighting.











